摘要:针对噪声背景下滚动轴承微弱故障特征淹没问题,提出一种将最大二阶循环平稳盲解卷积(Maximum Second-ordelCyclostationarity Blind Deconvolution,CYCBD)与1.5维谱联合的滚动轴承故障特征提取方法。首先计算振动信号的理论循环频率,以此构造循环频率集,实现数据初始化;在此基础上,采用CYCBD对原始数据进行降噪处理,凸显信号的特征成分;最后,对预处理后的信号进行1.5维谱计算,并分析其包络谱,从而实现故障特征提取。分析结果表明:CYCBD-1.5维谱算法可有效实现对滚动轴承的故障特征提取,且优于仅通过CYCBD或1.5维谱提取特征的效果,亦具有一定的鲁棒性。研究结果可为矿用滚动轴承故障状态监测提供一定的理论基础。
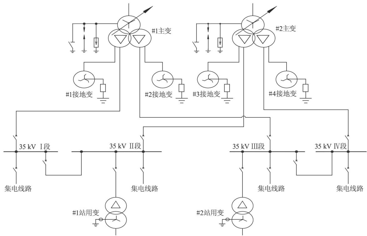
摘要:首先对海上风电场中海上升压站的站用电接线方案进行了阐述,随后对采用额定电压为35kV的集电线路的海上风电场提出站用变压器与接地变压器独立设置方案和合并设置方案并进行比较研究,然后对采用额定电压为66kV的集电线路的海上风电场提出站用变压器电源从66kV母线引接方案和从主变平衡绕组引接方案并进行比较研究,最后对海上升压站380V站用电采用暗备用接线方案和明备用接线方案进行比较研究。对今后海上升压站的站用变压器设置和380V站用电接线方案设计有良好的借鉴意义。
摘要:针对基于电源快速切换技术的牵引主变不间断供电倒闸切换装置无法正常切换的问题,介绍了主变倒闸切换装置电压接入方案和装置现有充电电压判据、合闸判据,研究了牵引变压器V/V接线、V/X接线、Yn/D-11接线、Scott接线等形式下牵引变低压侧母线电压向量特性,分析现有电压判据对牵引主变倒闸切换装置充电和切换功能的适应性,提出电压判据改进方案,改进的电压判据自动适应当前的牵引变压器主接线方式。该研究成果对牵引主变倒闸切换操作具有重要的实际意义。
摘要:针对某电厂500kV主变压器油中总烃浓度异常升高问题,提出了一种多参数协同诊断策略。通过计算产气动力学参数,结合三比值法编码及气体组分特征锁定故障;同时,利用负荷/油温监测、红外热成像、局部放电检测及铁芯接地电流分析,排除了变压器本体故障的可能性。最终通过潜油泵专项检测发现4号泵C相电流异常降低,证实其内部过热故障的存在。经更换故障泵,总烃浓度从638.6μL/L持续降至 147.9μL/L. ,该案例首次证实了冷却系统附属设备故障可能导致总烃浓度超标,并建立了一种“先外后内”的故障排查路径,有效避免了解体检修,节约了维修成本,并减少了停电损失,为同类型变压器的故障诊断提供了新范式。
摘要:随着新能源快速发展,火电机组承担的兜底调峰调频需求显著增加,尤其是节假日、凌晨等用电低谷时段,超低负荷运行已成为常态;然而,煤质劣化、燃烧扰动引发的给煤机堵煤断煤,以及落大焦导致的燃烧恶化甚至灭火等问题,严重威胁机组的安全运行。鉴于此,结合实际运行经验,对1000 MW燃煤机组超低负荷断煤给机组带来的运行风险进行分析,研究切实有效的控制策略,对新型电力系统的稳定运行具有一定的借鉴意义。
摘要:随着城市轨道交通的发展,目前城轨列车各监测子系统所用主机的融合已成为趋势,为了实现城轨列车车载设备高度标准化、统一化,现有研究针对车载融合主机已经初步构建了应用管控平台,实现各融合子系统软件运行合理编排调度。但目前由于资源紧张,调测仍需要软件调测人员跟随车辆现场进行,并且调测人员之间也需要协调,给车载智能监测功能调试工作带来了诸多不便,极大降低了软件调测的工作效率,延缓了系统上线进程。鉴于此,研究并实现了一个基于容器的融合主机应用管控平台在线仿真系统,在线提供对K3s集群应用管控平台的配置、运行、管理及仿真测试功能,同时实现多租户特性,可以使不同在线用户具备独立的仿真测试环境和操作权限,以便为各子系统调试数据的安全性和隔离性提供有效保证,模拟车辆设备的数据和对接,便于各子系统或部件的软件调测人员通过远程方式进行测试,并实现数据的持久化存储,从而极大地提高调试效率。
摘要:随着物流行业的快速发展,自动化和智能化设备在仓储管理和货物配送中的应用日益广泛。在这一背景下,针对小型商超、仓库等场合,设计了一款智能物流小车。该智能物流小车由车体机械结构和嵌入式控制系统组成,车体机械结构采用两层模块化设计,利用垂直空间立体设计优化空间布局,选择“两驱一万向”的轮组模式实现智能物流小车灵活运动;嵌入式控制系统基于STM32单片机,搭载8路灰度传感器、OpenMV模块实现循迹和自主导航功能,结合蓝牙模块和树莓派模块实现良好的人机交互、协同工作功能。该智能物流小车运行稳定、可靠性强,具有较好的实用价值。
摘要:针对城市生活垃圾前端分类效率低下、人工依赖度高的行业痛点,融合机器视觉与嵌入式控制技术,构建智能垃圾分类系统解决方案。以树莓派4B为核心计算平台,搭建包含图像采集、目标检测、机电控制与状态监测的硬件架构,采用YOLOv5s目标检测算法实现可回收物、有害垃圾、厨余垃圾及其他垃圾四分类识别。系统集成超声波测距与压力传感技术实现垃圾桶满溢检测,结合模糊控制算法优化机电执行逻辑。经1200h连续运行测试,复杂场景分类准确率达91. 2% ,误报率控制在1.8%以内。研究成果为中小型社区、校园等场景提供了高可靠性智能化垃圾分类解决方案,对推动垃圾分类技术工程化应用具有一定的参考价值。
摘要:公交车是许多市民出行的首选交通工具,如果公交车司机健康状况不佳,可能会带来严重的安全问题。鉴于此,讨论了基于边缘计算技术和高斯混合模型算法的公交车司机健康管理系统的设计思路与实现方法。该系统可以通过边缘计算较好地解决大量司机健康数据快速分析处理的问题,同时考虑到司机个体健康数据的差异和在不同工作状态下的健康数据会有较大波动,采用高斯混合模型算法,建立每位司机的动态报警阈值,提升了报警的准确度,降低了误报率。该系统降低了公交车司机在岗异常的风险,为保障市民安全出行提供了支撑,有一定的推广价值。
摘要:随着城市化进程的加速及人们对生活品质追求的提升,中央空调在大型公共场所的应用日益广泛,因而其管道清洁问题愈发突出。传统清洁方式存在诸多弊端,难以满足现代清洁需求。针对该问题,创新设计了一种中央空调管道清洁机器人,通过静应力分析验证关键部件的可靠性、机械结构设计的合理性和功能能否实现。该机器人集成六大核心部件,融合双轮驱动同步带式移动小车、独立驱动毛刷清扫机构等先进技术,具备适应复杂管道环境的能力,并通过信息采集反馈系统与PLC上下位机控制系统实现智能化作业,为中央空调管道清洁提供了高效、安全、环保的新方案,对改善室内环境、保障公共健康意义重大。
摘要:为满足复杂地形环境下的侦察与任务执行需求,提出一种基于四旋翼飞行平台的分体式陆空两栖机器人设计方案。该系统由飞行器、地面机器人及对接机构三部分组成,能够实现模块自由组合与分离,兼具空地双域机动能力。现完成了总体结构设计,对接机构采用类锥杆结构,保障弱撞击条件下的可靠对接;针对飞行器与对接装置进行有限元分析,验证了结构安全性与设计合理性。
摘要:针对分体式飞行汽车飞行器与乘客舱模块间安全、高效对接的工程需求,设计了一种适用于分体式飞行汽车飞行模态的自主对接系统。基于被动导引与冗余锁紧原理,通过Solidworks构建三维模型,设计包含锥形导引装置和四组对称滑块锁紧机构的对接系统;借助ANSYSWorkbench对关键部件主动端滑块展开静力学分析,验证强度与形变可靠性。结果表明,在单组滑块失效的极限工况下,结构强度与刚度均满足设计要求。该方案通过机械型面几何约束与冗余结构设计,突破了现有对接技术对传感器精度的高依赖,为分体式飞行汽车模块间自主对接提供了可靠性高、轻量化的技术解决方案。
摘要:某供电系统变电站的巡检机器人只具备简单的视频监控功能,难以对变电站的实际运行状态进行准确判断。鉴于此,提出一种新的变电站智慧立体巡检模式,在现有变电站监控系统基础上,设计了新的视觉监测、音频监测及智慧决策平台。目前该系统已在供电系统变电站投入应用,实现了对变电站的无人化值守。
摘要:锂离子电池极片制备是锂电池生产的核心环节,极片辊压作为极片制备的关键工序对提升极片能量密度、保证极片厚度一致性发挥着重要作用。通过对锂离子电池极片辊压工艺进行分析,初步设计了锂离子电池极片辊压生产线,并确定了辊压生产线核心设备辊压机的基本结构与核心参数。所设计的锂离子电池极片辊压生产线有助于提高锂离子电池极片辊压质量,对进一步提高锂电池的品质具有重要意义。
摘要:随着电力电子变换器在电力系统中的大量应用,系统频率稳定性面临挑战,传统的跟网型控制难以在大扰动情况下保持系统电压和频率稳定。鉴于此,对构网型变流器控制结构进行了研究,并对比分析了两种不同结构的变流器控制方法。最后,通过试验验证了不同工况下跟网型与构网型变流器的控制性能。
摘要:变压器作为电力系统中的关键电气设备,其安全稳定运行对电网可靠性至关重要。差动保护作为变压器内部故障的主保护,在现场实际运行中触发动作的原因复杂多样。现针对某电厂220kV主变压器高压侧C相差动保护动作事故,通过详细的故障排查和解体分析,发现主变压器C相环氧浸纸电容式套管存在绝缘缺陷,导致导杆对末屏电容放电引发短路。事故处理过程中采用了油质检测、套管解体检查、变压器清洗换油等措施,最终确认故障原因可能是套管制造工艺缺陷与在线检测装置安装不当共同作用所致。基于事故分析,提出了加强套管质量管控、完善在线监测系统管理、优化预防性试验等防范措施,为同类型变压器的隐患排查及运行维护提供了重要参考。
摘要:火力发电厂发电机转子故障在电力系统运行机组中不常见,可查阅到的资料更少。而近30年中国经济快速增长,电力需求旺盛,与此同时,日间负荷峰谷差异变化快速增大,火力发电厂调峰机组不断增多,发电机转子在高转速、大离心力和热应力作用下频繁启停而产生不少缺陷或非计划性停机。鉴于此,针对300MW级调峰发电机转子导电杆短路缺陷进行分析,及时在迎峰度冬保供电关键发电期间采取有效技术措施,并积极协调抢修,顺利消除了电力设备主机重大缺陷,为提前恢复机组发电创造了硬件条件。
摘要:某电压互感器更换过程中因一接地螺丝未拆引起二次回路出现两点接地情况,进而在发电机空载试验升压过程中电压互感器二次侧两点接地短路造成发电机定子接地保护动作、电压互感器烧毁。针对这一事件,详细分析故障原因及存在问题,阐述相关规定中对电压互感器二次回路接地的要求,提出防范措施,并结合工作经验与体会,探讨了提高电气二次专业水平的管理要点及注意事项。
摘要:医院应急发电系统作为生命保障设施,其运行效率与热管理水平直接影响应急响应能力。研究系统分析了发动机热力循环、冷却系统、排气能量流失及负荷波动下的热响应特性,揭示了能量损耗机理。基于此,提出预混燃烧、智能热管理、废热回收与负荷预测优化策略。通过实测验证,优化后系统热效率提升 10.23% ,年度能耗下降 12.7% ,可靠性指标显著优化。研究结果为提升医院应急电源系统能效与可靠性提供了理论支撑与技术路径。
摘要:随着电子技术的高速发展,电子元件的轻量化、微型化和高集成化要求不断提高,新的封装技术不断更新,其中陶瓷球栅阵列(Ceramic BallGrid Array,CBGA)封装一直是设计人员优选的器件封装形式。在产品使用过程中,氧化是CBGA焊点失效的核心诱因之一。为了更好地提高CBGA器件在印制板焊接后的连接强度和抗疲劳能力,降低氧化层对CBGA器件焊接可靠性的不良影响,研究了CBGA器件焊接的工艺流程和方法,经过实际故障分析和实验验证,优化去氧化的条件,从而消除焊球氧化物对焊点的影响和危害,进而延长CBGA器件疲劳寿命,提高产品性能稳定性和焊点可靠性。
摘要:详细介绍了黄河羊曲水电站首台(2号)机组导水机构从厂内预装到现场预、安装的全过程施工工艺及控制要点,同时对正式安装过程中导叶端面间隙较小的问题进行了原因分析并提出了处理措施,最终确保导水机构的安装质量满足设计要求,能够为同类机组导水机构的预、安装提供参考。
摘要:在“双碳”目标驱动下,光伏项目作为可再生能源开发的重要形式,其施工管理质量直接影响项目的安全性、经济性和能效水平。现以开平市绿色农储光储充一体化项目为研究对象,从电力三产施工单位视角出发,系统探讨光伏项目施工管理的关键环节与实践策略。通过分析项目概况、施工组织、技术要点、安全管控、质量保障等核心内容,总结施工过程中的经验与挑战,为同类项目提供可供借鉴的管理模式与技术路径,助力光伏产业高质量发展。